
市 场 价: ¥0元/个
优 惠 价: ¥0元/个
技术参数
|
项目名称 |
规格参数 |
项目名称 |
规格参数 |
|
产品类型 |
液体质测量换能器 |
阻抗值Z(Ω) |
200Ω±30% |
|
产品型号 |
LH-RL1000-01 |
工作电压 |
3V |
|
压电陶瓷频率f(kHz) |
0.98MHz±2% |
工作温度(℃) |
4~+50℃ |
|
换能器频率f(kHz) |
0.98MHz±3% |
储存温度(℃) |
-30~+80℃ |
|
换能器配对频率误差 |
˂ 30KHz |
防水等级 |
IP68 |
|
带宽△f(水中) |
±10% |
外壳材料 |
PPS(聚苯硫醚) |
|
换能器余振 |
˂ 30μs |
电缆规格 |
两芯屏蔽电缆40CM |
|
综合灵敏度(V) (0dB=3Vp-p 8pulses L=85mm) |
>1.2V |
耐腐蚀 |
耐弱酸、弱碱 |
|
波束角°(-3dB) |
6° |
重量(g) |
14g/只 |
|
静电电容(pf) |
1200PF±20% |
|
|
|
备注 |
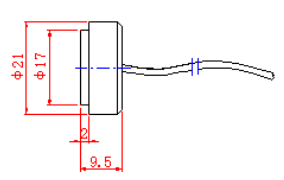
探头结构尺寸可以根据用户需要定制。 |
||
产品尺寸

阻抗曲线 灵敏度测试

