
市 场 价: ¥0元/个
优 惠 价: ¥0元/个
Product Introduction
A variable reluctance resolver is a signal element that outputs voltage that varies with the rotor angle. Under the
periodic stability of the AC magnetic field generated by the excitation winding, the rotation of the rotor causes a
change in the air gap magnetic field between the stator and rotor, which is fed back to the inductance of the
secondary winding to change, thereby inducing a change in electromotive force and forming a voltage signal,
which is converted into a digital signal (i.e. angle signal) through A/D. The product transmission signal adopts
electromagnetic induction type, which is suitable for various harsh environments, so it is widely used in military
equipment fields such as aviation, aerospace, radar, as well as industrial fields such as automobiles, robots,
metallurgical machinery, textile machinery, etc.
Characteristics:
1/High speed rotation, the speed can reach 30000 RPM
2/Low cost, maintenance free, high reliability
3/Vibration and impact resistance, protection level: IP68
Working principle
Due to the same frequency but phase difference between the secondary voltage and the primary excitation
voltage of a rotary transformer, their amplitudes will vary as sine and cosine functions with the rotation angle.
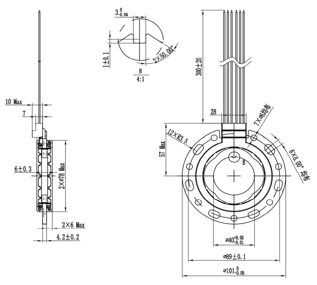
Resolver Parameters
| Item | Parameter | Remark |
| Poles | 4 | |
| Input voltage | 7VAC | Valid value |
| Input frequency | 10KHz | |
| Transformation ratio | (0.286±10%) | |
| Accuracy | ≤±30' Max | Mechanical angle |
| Phase shift | ≤-7° | |
| Input impedance: Zro | 100Ω±20% | |
| Output impedance: Zso | TBA | |
| Dlelectric strength | Ground: AC 500V 1min | ≤10mA |
| Phase: AC 500V 1min | ||
| Insolution resistance | 250M Ω Min | DC 500V |
| Weight | ≤0.3Kg | |
| Allowable max speed | 20000 rpm | |
| Working temperature | -40°C~155°C | |
| Field impedance | TBA | |
| Sin impedance | TBA | |
| Cosin impedance | TBA | |
| Single conductor² | 0.35mm² | UL1332 |
| Wire | 22#x6 | |
| Wire defination | ||
| Ref+ | Red | |
| Ref- | Black | |
| Sin+ | White | |
| Sin- | Blue | |
| Cos+ | Yellow | |
| Cos- | Green | |
1. Winding resistance is measured at 20°C~30°C
2. Output voage equtation
US1S3=KUR1RSCOS4 ∅
US2S4=KUR1RSIN4 ∅
The positive direction is the clockwise rotation of the rotor from the outlet end


Schematic Diagrem Output wave


+86 13923792185
Website:www.micmetering.com
Address:6th Floor, Block B, Area A, Qinghu Science and Technology Park, Longhua District, Shenzhen, Guangdong Province

Service Hotline
Service Hotline

TOP